LQ型系列部分回轉閥門電動裝置是我公司最新研制的換代型產品。適用于蝶閥、球閥、旋塞閥和風門等做90回轉的閥門,用于閥門的開啟、關閉或調節控制,可遠距離控制,也可現場操作。
廣泛用于電力、冶金、石油、化工、食品、紡織、造紙、制藥、水廠和污水處理等行業。
該產品的防護等級為IP67,隔爆型產品(型號中有Ex)的隔爆等級為d II BT6或d II CT6
產品概述
LQ型系列部分回轉閥門電動裝置是我公司最新研制的換代型產品。適用于蝶閥、球閥、旋塞閥和風門等做90回轉的閥門,用于閥門的開啟、關閉或調節控制,可遠距離控制,也可現場操作。
廣泛用于電力、冶金、石油、化工、食品、紡織、造紙、制藥、水廠和污水處理等行業。
該產品的防護等級為IP67,隔爆型產品(型號中有Ex)的隔爆等級為d II BT6或d II CT6
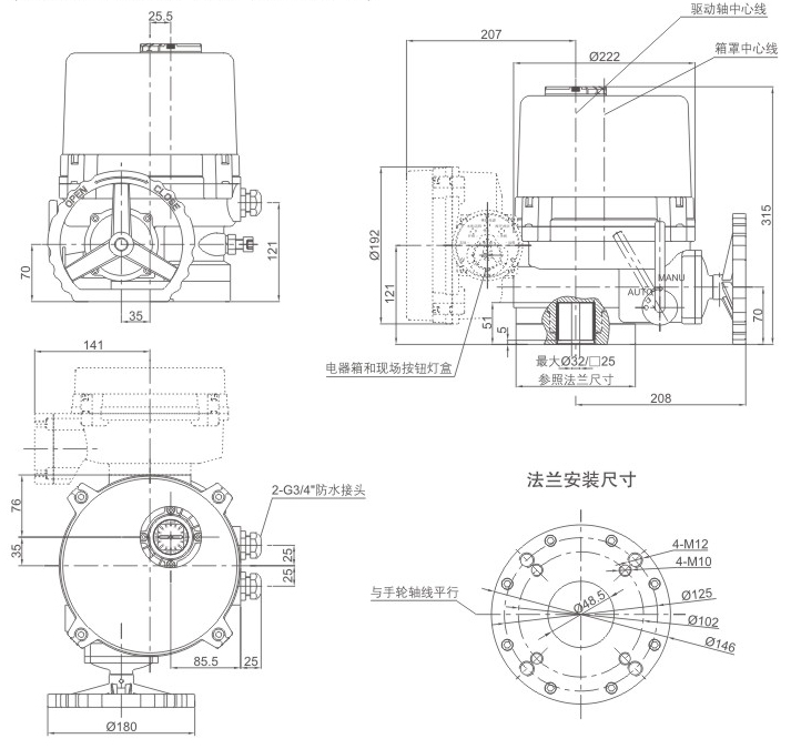
機械外殼
外殼:鋁合金外殼經過氧化處理。聚酯粉末外涂層,可以適應各種嚴酷的工況;
傳動機構:具有精確的雙蝸輪蝸桿機構,低噪聲,高輸出力矩;
自鎖功能:雙蝸輪蝸桿機構具有自鎖功能,防止反轉;
電機:特殊設計的感應電機,內置熱保護開關,防止電機過熱,絕緣等級為F級;
外部機械限位:阻止限位開關失效時超行程;
力矩開關:當閥門力矩過大時提供過載保護,開、關力矩各一個;
限位開關:可精確定位閥門位置,輔助開關可提供干接點信號;
接線端子:彈簧壓緊的接線端子,接線牢固,可在振動環境中使用;
干燥器:干燥器可以防止水氣冷凝
離合機構:合上切換手柄可進行手輪操作,通電時自動復位
手輪:帶手輪操作,可在停電或緊急時對閥門進行開啟或關閉。
電氣特點
自動鑒別相序、斷相保護;
遠程采用DC24V電壓等級;
方便靈活的用戶接線方式;
現場按鈕燈盒旋鈕采用不穿透設計,提高整機密封特性;
5個無源觸點指示電動裝置工作狀態,方便DCS系統對電裝的監控;
設置電動裝置監視電,DCS系統供綜合故障信號;
轉換旋鈕根據需要可以用普通掛鎖鎖定,防止誤操作。
型號含義

選型表
產品型號 | 輸出力矩(N·m) | 動作時間 (0-90℃) | 電源 | 硬密封蝶閥 | 軟密封蝶閥 | 球閥 | 通風蝶閥 |
LQ0-05 | 50 | 21 | DC24V, AC110V, AC220V, AC380V, AC440V | / | ≤DN80 | ≤DN32 | ≤DN80 |
LQ1-06 | 60 | 26 | / | ≤DN80 | ≤DN32 | ≤DN80 | |
LQ1-10 | 100 | 26 | DN40-DN65 | DN100-DN125 | DN40-DN50 | DN100-DN200 | |
LQ2-20 | 200 | 28 | DN80-DN125 | DN150-DN200 | DN65-DN80 | DN250-DN300 | |
LQ3-35 | 350 | 32 | DN125 | DN200 | DN80 | DN350 | |
LQ3-50 | 500 | 32 | DN150-DN200 | DN250 | DN100-DN125 | DN350-DN500 | |
LQ4-80 | 800 | 36 | DN250 | DN300 | DN150 | DN500-DN600 | |
LQ4-110 | 1100 | 36 | DN250 | DN350 | DN150 | DN600-DN800 | |
LQ4JS-200 | 2000 | 110 | DN300-DN400 | DN400-DN500 | DN200-DN250 | DN800-DN1000 | |
LQ4JS-250 | 2500 | 110 | DN450 | DN500-DN600 | DN250 | DN1000-DN1200 | |
LQ4JS-400 | 4000 | 180 | DN600 | DN700 | DN300 | DN1200 | |
LQ4JS-600 | 6000 | 180 | DN600 | DN800-DN900 | DN350-DN400 | DN1500-DN1800 |
訂貨須知
用戶訂貨請說明如下內容
閥門所需轉矩(N·m)、轉速(r/min)
產品使用環境
產品電源電壓
與閥門的連接尺寸、型式
電氣控制要求
其他特殊要求
技術參數
項目 | 輸出轉矩 (N.m) | 90° 運行時間(S) | 電機功率(W) | 電機電流(A)額定 | 手輪轉圈數 | 參考重量(Kg) | 電源 | |
Item | ||||||||
LQ3-35 | 350 | 32 | 60 | 0.9 | 13 | 18 | AC220V | |
1.8 | AC110V | |||||||
0.38 | AC380V | |||||||
0.42 | AC440V | |||||||
4.0 | DC24V | |||||||
LQ3-50 | 500 | 32 | 90 | 1.3 | 13 | 19 | AC220V | |
3.2 | AC110V | |||||||
0.8 | AC380V | |||||||
0.86 | AC440V | |||||||
6.9 | DC24V | |||||||
箱體材料 | 鋁合金壓鑄件 | |||||||
限位 | 機械限位、過力矩保護器 | |||||||
防護等級 | IP-67(可定制IP-68) | |||||||
環境溫度 | -20℃-60℃ | |||||||
環境濕度 | 相對濕度大于90%(25%) | |||||||
絕緣電阻 | ≥100MΩ | |||||||
絕緣強度 | 1500V/1Min(AC220V) 2000V/1Min(AC380V) | |||||||
選裝功能 | 防爆/加精密電位器、過力矩保護、過熱故障信號 | |||||||
可選時間/轉矩 | 10S/400N.m 10S/350N.m 5S/150N.m | |||||||
產品顏色 | 藍色(可定制其他顏色) | |||||||
注:電氣接口:2-NPT3/4防爆堵頭,使用時用戶應根據所選電纜加裝相應的防爆接頭或防爆填料函。
外形尺寸
